
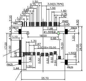
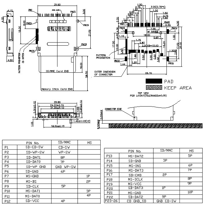
Pitch: 3IN1 NO PUSH TOP MOUNT TYPE 6IN1 CARD SERIES
No.:183BFS01-XXXXXX

Specifications:
Current Rating:0.5Ampere
Insulation Resistance:1000MΩ Min
Dielectric Withstanding:500V AC
Contact Resistance:40mΩ Max
Operating Temperature:-40℃ to +85℃
Materials:
Contact Material:Copper Alloy
Housing Material:Polyester,UL 94V-0; LCP, Color: Black
All materials must meet HoRS tequirement for environmention protection

Memory Card

+86-755-66802519
+86-755-22642202
Sales@topwin.asia
Add: third industrial of