
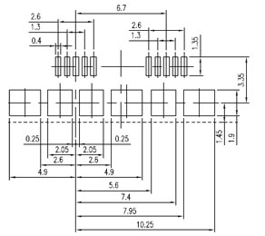
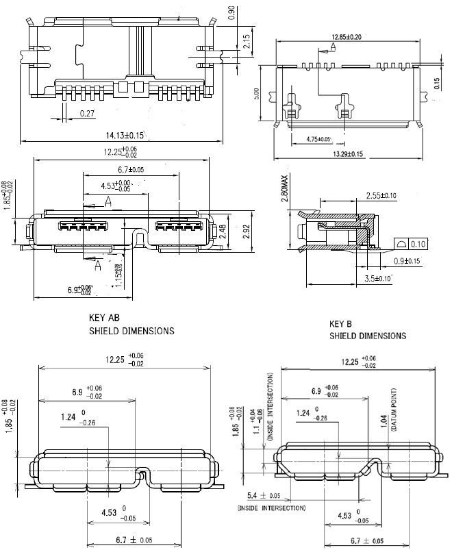
Pitch:MICRO USB 3.0 B/AB SMT TYPE(SMT SHELL) Female
No.:186BFS01-10XXXXXX

Specifications:
Current Rating:10.0Ampere
Insulation Resistance:500MΩ Min
Dielectric Withstanding:500V AC
Contact Resistance:30mΩ Max
Operating Temperature:-30℃ to +85℃
Materials:
Contact Material:Copper Alloy
Housing Material:Polyester,UL 94V-0; LCP, Color: Black
All materials must meet HoRS tequirement for environmention protection



+86-755-66802519
+86-755-22642202
Sales@topwin.asia
Add: third industrial of